1、引言
在推进社会进步和经济发展过程中,铁路一直处于重要位置,自铁路运行以来,我国铁路系统中重要部分主要体现在道岔转换设备上,因此对铁路道岔转辙电机的可靠性提出了更高的要求,进而对转辙电机实现控制保护显得尤为重要。
同时,随着我国铁路运输量的不断增长,火车通过岔道的速度逐步提高,加之开通了重载火车及采用了重型钢轨道岔,使得道岔转换设备的工作状况发生了显著变化,转辙电机由小功率逐渐向大功率发展,因而转辙电机的任何故障,都将影响铁路运行的正常秩序,给生命、财产带来严重损失[1],为了尽可能的避免事故的产生,对铁路转辙电机采用智能型电动机控制器控制,利用先进的计算机网络技术和通讯技术,能够完成对转辙电机所需的各项控制、监视和记录功能,可以通过编程将投入的保护和控制功能分配至输出继电器上,利用控制器面板上的LED指示灯、液晶显示屏或键盘,获取铁路转辙电机各序电流、发热状态、运行时间等各种数据,并可通过按键来控制电动机起动、停车、复位、设置参数等,连接控制器的RS485通讯端子,远方运行人员也可以通过人机界面实现存储在保护装置中数据的读取、分配给各个输出继电器不同的功能、数据的设置和修改、事件记录及故障波形显示,本文主要对安科瑞ARD3控制器的功能及其在某铁路的典型工程应用进行具体介绍。
2、铁路对电动机控制器功能要求
铁路系统转辙电机是铁路运行中一种重要的电气设备,它对提高铁路运输效率和保证火车安全运行起着至关重要的作用,因而对其可靠性、稳定性及功能要求极高,某铁路系统转辙电机对ARD3控制器具体功能要求为:
(1)控制功能:实现对铁路转辙电机过载、断相、不平衡、剩余电流、堵转、阻塞、欠载、欠压、起动超时、相序、温度等现象控制、保护;
(2)故障判断及记录功能:当ARD3检测到外部故障输入信号,外部故障开关量闭合,保护器在脱扣设定时间内脱扣,即按照设定要求保护,确保转辙电机设备安全运行;
(3)显示功能:通过显示模块对铁路转辙电机运行过程中三相电流、电压、有功功率、视在功率、功率因数等参数进行实时显示;
(4)通讯功能:具有标准的RS-485通讯接口,采用Modbus-RTU、Profibus-DP通讯协议,
控制室操作人员通过控制器通讯,在后台人机界面上完成铁路转辙电机控制器各种参数读取、设置,同时在线监测电机运行故障,为保证工艺系统安全生产、减少事故停车,提供了可靠依据。
3、智能型电动机控制器概述
安科瑞ARD3智能型电动机控制器,适用于额定电压至AC690V、额定电流至AC800A、额定频率50/60Hz的电动机,产品体积小,结构紧凑,安装方便,在低压控制终端柜和1/4模数及以上各种抽屉柜中可直接安装使用,提高了控制回路的可靠性和自动化水平。
ARD3采用模块化的产品结构形式,包括主体控制模块、互感器模块和远程显示模块,并可根据需要选配ARD3的其他功能模块或附件,与接触器、电动机起动器等电器元件构成电动机控制保护单元,有远程自动控制、现场直接控制、面板指示、信号报警、现场总线通信等功能,同时具有过载、堵转、阻塞、欠载、断相、不平衡、剩余电流(接地/漏电)、温度、外部故障、相序、过压、欠压、欠功率、tE时间等全面的电动机综合保护功能[2],满足铁路系统对电动机控制器的需求。

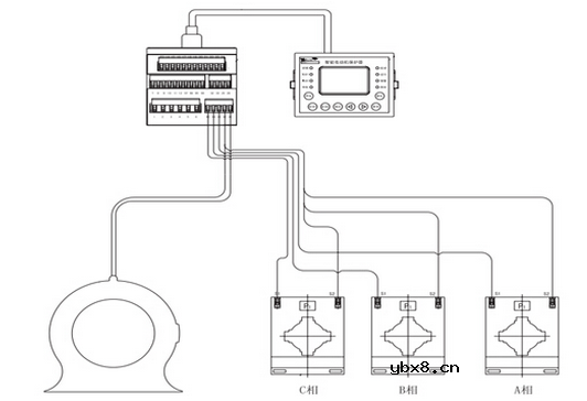
图1250A、800A的ARD3产品组成框图
主体控制模块:完成测量、保护和控制等功能,通过增加温度、电压、剩余电流、模拟量输出等功能来完成整个测量与保护功能;
互感器模块:当电动机额定电流在100A及以下时,保护器配用小型专用电流互感器检测模块,小型专用电流互感器检测模块可以检测10倍以内的过载电流,对输入电流信号进行检测,二次侧信号接入主体控制模块;当电动机额定电流大于250A时,配用外置电流互感器;
显示模块:通过显示模块,实时的显示当前铁路道岔转辙电机的运行情况和三相电流、电压、功率、电动机的电能等参数,实现了实时监控功能;一旦电机发生故障,保护装置延时后控制主接触器线圈失电,控制电动机准确停车。
4、工程应用典型案例
电动机控制器是铁路运行系统的重要器件,广泛的采用电机控制器,不但可以提高工艺控制的准确性、科学性,降低事故率,而且对于提高铁路电气控制系统的自动化水平和发展国民经济起着积极的推动作用,下面以安科瑞ARD3智能型电动机控制器在某铁路运行系统及转辙电机控制回路应用为例进行具体分析、介绍。
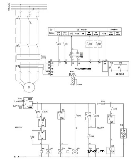
图2是ARD3控制器在某铁路系统改造项目中的典型电气原理图,图中转换开关SA2实现铁路系统的就地/远程控制,通过ARD3的14、15开关量输入端子实现,ARD3的19、20端子控制按钮1SB、1SBS,实现对铁路系统就地起动、停止控制,面板控制回路实现远程起动、停止控制,当电机处于正常状态,KM线圈与ARD3的7、8串联,合上断路器QM,控制器的7、8起动输出端子闭合,电机启动运行,ARD3的95、96及97、98实现对电机故障指示、控制,当电机出现故障,95、96端子断开,KM线圈失电,电机停止,同时97、98端子闭合,故障指示灯亮,ARD3的17、22端子实现断路器、接触器状态控制,整个系统对电机进行控制,同时对故障进行报警指示,保证了铁路系统的正常运行。

相关热词:#物联网
突破人形机器人控制器性能瓶颈:高效稳定的...
时间:2026-03-05
一文讲懂开关电源的阻尼振荡
时间:2026-03-05
使用过滤器电容器和诱导器来抑制受辐射的EM...
时间:2026-03-05
智能硬件遭遇销量困局 看社区O2O如何破解
时间:2026-03-05
物联网新时代,关于安全的5大错误认知
时间:2026-03-05
智能停车场一体化控制器方案简述
时间:2026-03-05
ZigBee应用于智能家居是否存在严重漏洞?
时间:2026-03-05
推动物联网发展,供电是基础设备的生命线
时间:2026-03-05
楼宇对讲走向标准化 四大发展方向明确
时间:2026-03-05
最帅“黑”科技:让普通手机可扫描3D
时间:2026-03-05
什么是单母线接线?主接线的普遍规律
时间:2026-03-05
智能电网包括什么?它的先进性和优势是?
时间:2026-03-05
基于区块链技术的IP电话协议的分散式设计方...
时间:2026-03-05
什么叫变电站 变电站的四种分类 变电站的类...
时间:2026-03-05
智能电网的应用、优势及作用
时间:2026-03-05
储能系统在微电网中的主要作用
时间:2026-03-05
微电网的结构
时间:2026-03-05
微电网的优缺点
时间:2026-03-05
智能电网的核心是什么 智能电网的应用有哪些
时间:2026-03-05
电网和电力系统的区别
时间:2026-03-05