
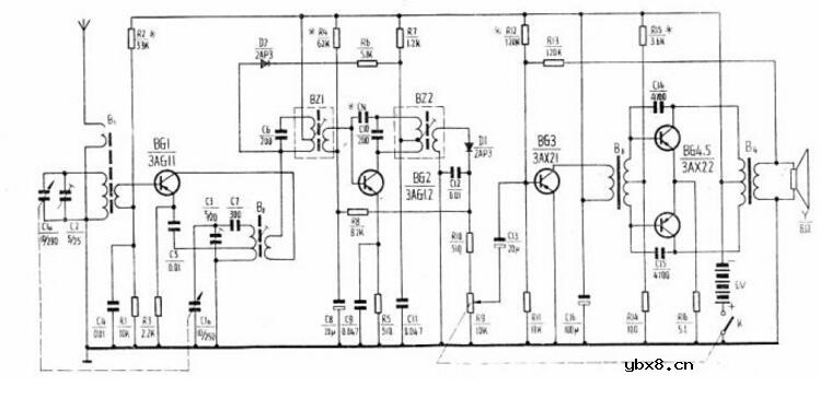
HX108-2型7管半导体收音机的主要性能为频率范围:525~1605kHz;输出功率:
100mW(最大);扬声器:+57mm,8Ω;电源:3V(5号电池二节);体积:122mm×66mm×26mm。HX108-2型7管半导体收音机的电路原理图。由图可见,整机中含有7只三极管,因此称为7管收音机。其中,三极管V,为变频管,V2、V3为中放管,V4为检波管,V5为低频前置放大管,V6、V7为低频功放管。
天线回路选出所需的电台信号,经过变压器T,.(或B.)耦合到变频管V.的基极。与此同时,由变频管Vl、振荡线圈B2、双联同轴可变电容CIB等元器件组成的共基调射型变压器反馈式本机振荡器,其本振信号经电容C。注入到变频管Vl的发射极。电台信号与本振信号在变频管Vl中进行混频,混频后,Vl管集电极电流中将含有一系列的组合频率分量,其中也包含本振信号与电台信号的差频(465kHz)分量,经过中周B。(内含谐振电容),选出所需的中频(465kHz)分量,并耦合到中放管V2的基极。囹中电阻R3是用来进一步提高抗干扰性能的,二极管VD3是用以限制混频后中频信号振幅(即二次AGC)。
中放是由V2、V3等元器件组成的MAX6978AUE两级小信号谐振放大器。通过两级中放将混频后所获得的中频信号放大后,送人下一级的检波器。检波器是由三极管V。(相当于二极管)等元件组成的大信号包络检波器。检波器将放大了的中频调幅信号还原为所需的音频信号,经耦合电容C10送入后级低频放大器中进行放大。在检波过程中,除产生了所需的音频信号之外,还产生了反映了输入信号强弱的直流分量,由检波电容之-C7两端取出后,经R8、C4组成的低通滤波器滤波后,作为AGC电压(-UAGC)加到中放管V2的基极,实现反向AGC。即当输入信号增强时,AGC电压降低,中放管V2的基极偏置电压降低,工作电流Ie将减小,中放增益随之降低,从而使得检波器输出的电平能够维持在一定的范围。
低放部分是由前置放大器和低频功率放大器组成。由V5组成的变压器耦合式前置放大器将检波器输出的音频信号放大后,经输入变压器B6送入功率放大器中进行功率放大。功率放大器是由V6、V7等元器件组成的,它们组成了变压器耦合式乙类推挽功率放大器,将音频信号的功率放大到是够大后,经输出变压器T,,耦合去推动扬声器发声。其中R11、VD4是用来给功放管V6、V7提供合适的偏置电压,消除交越失真。
本机由3V直流电压供电。为了提高功放的输出功率,3V直流电压经滤波电容Cl5去耦滤波后,直接给低频功率放大器供电。而前面各级电路是用3V直流电压经过由R12、VD1、VD2组成的简单稳压电路稳压后(稳定电压约为1.4V)供电,目的是用来提高各级电路静态工作点的稳定性。



该方案可演示多组灯光控制,或多达50个节点同时受控制,或点对点控制的多种场景。方案还可演示蓝牙Mesh网络中继功能,即通过传递信息,使并不在发送信息的节点的RF信号范围内的节点也能正常接收到信息。

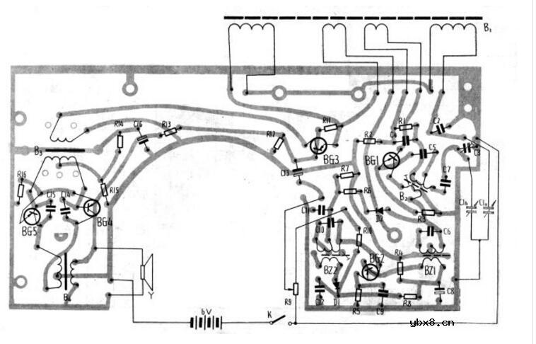
六管收音机是中波段调幅袖珍式半导体收音机。频率覆盖范围为535~1605kHz,输出功率,不失真功率为50mW;最大功率为150mW。
电路组成及各部分电路功能
该收音机的电路组成如下图所示。它主要包括接收回路、高频放大与变频电路、中频放大、检波、音频放大(含功率放大)等。其各部分电路功能如下。

1.接收回路
由磁棒线圈L1和可变电容器C1a串联而构成。
当接收回路与空中电台的频率信号发生串联谐振时,回路中的电流最大,此信号能通过L2耦合到变频级进行处理,而未发生谐振的电台信号被抑制而进不了收音机。所以接收回路又称为选台电路。
2.高频放大与变频电路
由接收回路选择出的电台信号通过L2耦合到VT1的基极,并经放大后与由其发射极输入的本机振荡信号进行变频后,由串接于集电极中的中周谐振器B3选择出中频信号(f本-f和=f中=465kHz),送入下一级中频放大器。
3.两级中放VT2、VT3
进~步对中频信号进行选择和放大。
4.检波电路
它是由VT3的非线性及低通滤波完成的。作用是检出音频调制信号(有用信号),去掉中频载频信号,再经电阻R6将音频信号送至音量电位器W。再经电容器C8送至前置放大器VT4的基极。电容器C5、C6是中频信号的旁路电容。
5.音频前置放大器
VT4为音频前置放大器。其功能是把输入的音频信号加以放大并用输入变压器次级分成极性相反的两组信号输入推挽功率放大器。
6.音频功率放大器
由VT5和VT6组成推挽功率放大器。其中vT5放大音频信号的正半周,VT6放大音频信号的负半周,并用输出变压器的次级把音频信号正负半周合起来推动喇叭发声。

导体收音机调谐指示电路如图1所示。当调谐准确时,AGC电压最低,一中放管VT1的发射极电流屯最小,射极压降也最小,VT2的发射极电流砧最小,发光二极管VD发出的光最暗;反之,若凋谐偏调,发光二极管发出的光增强。根据这一特点可进行准确调谐。

图1半导体收音机调谐指示电路图
突破人形机器人控制器性能瓶颈:高效稳定的...
时间:2026-03-05
一文讲懂开关电源的阻尼振荡
时间:2026-03-05
使用过滤器电容器和诱导器来抑制受辐射的EM...
时间:2026-03-05
智能硬件遭遇销量困局 看社区O2O如何破解
时间:2026-03-05
物联网新时代,关于安全的5大错误认知
时间:2026-03-05
智能停车场一体化控制器方案简述
时间:2026-03-05
ZigBee应用于智能家居是否存在严重漏洞?
时间:2026-03-05
推动物联网发展,供电是基础设备的生命线
时间:2026-03-05
楼宇对讲走向标准化 四大发展方向明确
时间:2026-03-05
最帅“黑”科技:让普通手机可扫描3D
时间:2026-03-05
瞬间抑制二极管(TVS)/瞬间抑制二极管(TVS)是...
时间:2026-03-04
数字比较器,数字比较器是什么意思
时间:2026-03-04
常用整流二极管型号大全
时间:2026-03-04
S/HS固态继电器原理简介
时间:2026-03-04
稳压二极管的选用和代换
时间:2026-03-04
TVS器件的电特性有哪些
时间:2026-03-04
DB3双向触发二极管,DB3双向触发二极管原理是...
时间:2026-03-04
移动通信技术在物联网中的应用
时间:2026-03-05
细数10大常见数据中心运维陷阱
时间:2026-03-05
rssi和dbm的转换
时间:2026-03-05