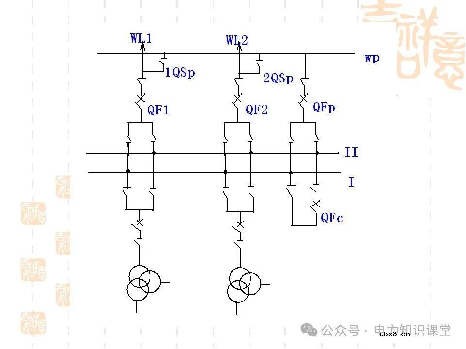
变电站主接线和站用电接线运行
在发电厂和变电站中,由各种一次电气设备及其连接线所组成的输送和分配电能的电路,称为电气一次回路。
·电气一次回路中电气设备根据它们的作用,按照连接顺序,用规定的文字和符号绘成的图形称之为电气主接线图。



























































审核编辑:黄飞
相关热词:#智能电网
Multisim仿真—电容测量电路
时间:2026-03-05
你的电源IC是如何失效的?
时间:2026-03-05
半桥逆变双极性SPWM分析与Mathcad建模
时间:2026-03-05
去耦电容在电源设计中的应用
时间:2026-03-05
介绍电机控制器DC电容的温度计算模型
时间:2026-03-05
MCU的心脏-晶振介绍
时间:2026-03-05
如何降低开关电源输出纹波与噪声?
时间:2026-03-05
PCB传统四层堆叠的缺点
时间:2026-03-05
二极管开关速度对双脉冲测试条件下IGBT开关...
时间:2026-03-05
基于内点法-退火因子法的主动配电网无功优化
时间:2026-03-05
配电变压器的工作原理和作用
时间:2026-03-05
低压配电柜进出线方式和接线步骤
时间:2026-03-05
无人机光伏电站智能巡检系统的优势和功能分...
时间:2026-03-05
低压配电柜的防护措施和防护等级
时间:2026-03-05
配电箱的接地规范要求和注意事项
时间:2026-03-05
配电箱的接线方法和接线规范要求
时间:2026-03-05
以太网工业总线控制典型微电网系统方案
时间:2026-03-05
中线安防保护器对电网中三次谐波的治理
时间:2026-03-05
什么是单母线接线?主接线的普遍规律
时间:2026-03-05
智能家居终端在智能电网中如何更安全、舒适...
时间:2026-03-05